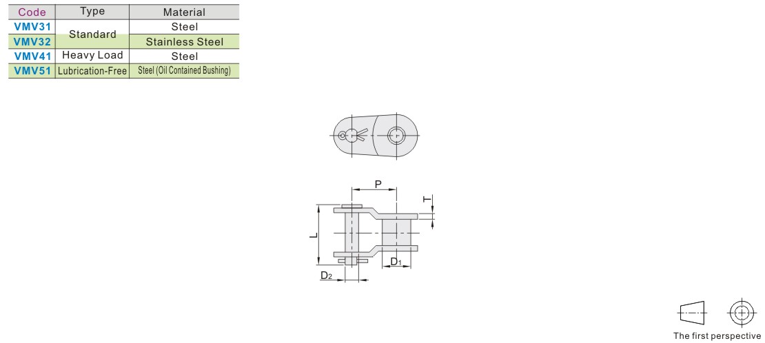
Chain Connector Half Buckle Type

Type: Chain Connector

Form: Half button type

Type options: Standard / Self-lubricating / Heavy-duty

Features: For use with A series chains

Main body material options: Steel / Stainless steel / Steel (oil-containing bushing)