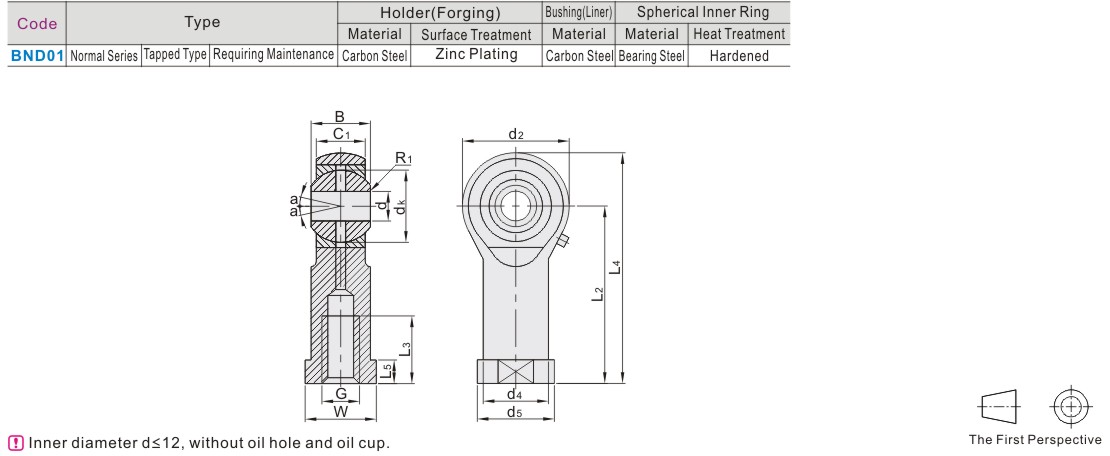
Rod End Joint Bearing Tapped·Outer Ring Single Stitch Type

Product Name: Rod End Joint Plain Bearing

Cost Performance: Standard Type

Shape: Straight Rod

Mounting Method: Internal Thread Type

Function: Outer Ring with a Single Slot