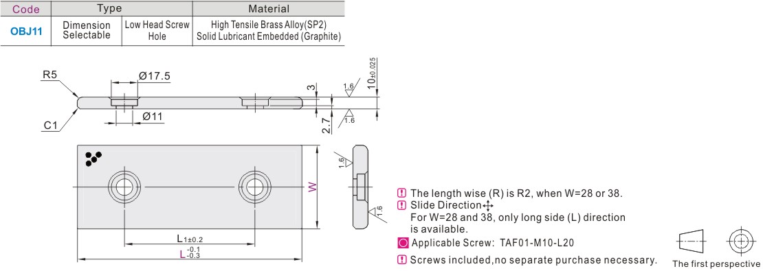
Oil-Free Linear Sliding Plate Copper Alloy Size Selection Countersink

Type: Oil-free linear sliding plate

Bushing shape: Straight type

Material: Copper alloy

Grinding surface: None

Mounting hole shape: Countersunk hole

Overall size selection method: Size selection

Skateboard thickness: 10