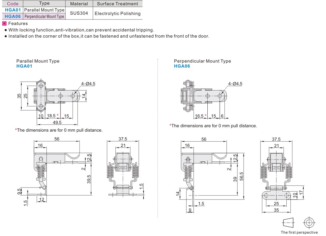
Spring Buckle Anti-Vibration Type

Product Type: Buckle 

Type: Corner Spring Type

Function: Anti-vibration Type

Installation Method: Parallel Installation/Vertical Installation

Shape: Right-angle Type

With Locking Device: No

Hanging Lock Hole: No

Material: SUS304

Surface Treatment/Color: Electrolytic Polishing