Contact Us
Product
Visit Factory
Quick Links
About
News
Visit Factory
Contact Us
Follow us
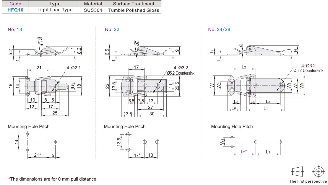
Product Type: Standard Hasp
Load Capacity: Light Load Type
Shape: Flat-mouth Type
With Locking Device: No
Hanging Lock Hole: No
Material: SUS304
Surface Treatment/Color: Grinding Polishing/Vibration Polishing/Vibration Grinding Polishing


About
News
Visit Factory
Contact Us