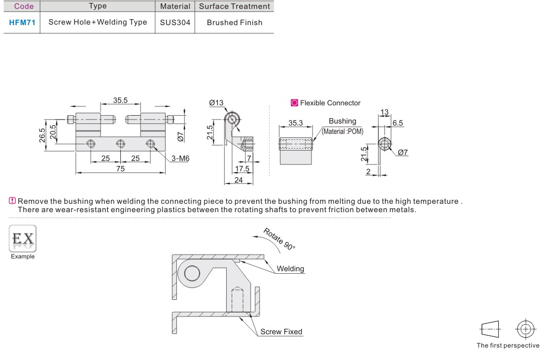
L-type dustless butterfly hinge quick disassembly type / bolt type

Product Type: Dustless Butterfly Hinge

Body Shape: L-Type

Hinge Type: Quick Detachable Type/Pin Type

Load Capacity: Light Load Type/Medium Load Type

Applicable Internal/External Door: Internal Door

Installation Hole Type: Screw + Welding Type/Round Hole + Welding Type

Main Material: SUS304

Surface Treatment/Color: Brushed/Grinding and Polishing

Cost-Effectiveness: Ordinary Type/Precision Type