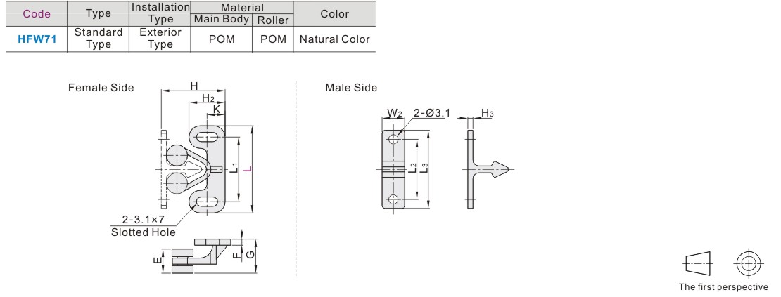
Roller Type Standard Type/Adjustable Type External Mounting Type (push-out force 9.8~26N)

Product Name: Spherical Buckle

Fastening Method: Roller Type

Fastening Tightness: Standard Type

Push-out Force (N): 16~26

Installation Type: External Installation Type

Material: POM/SUS304/SUS430/SPCC

Surface Treatment: None/Mirror Polishing/Roller Grinding/Galvanized