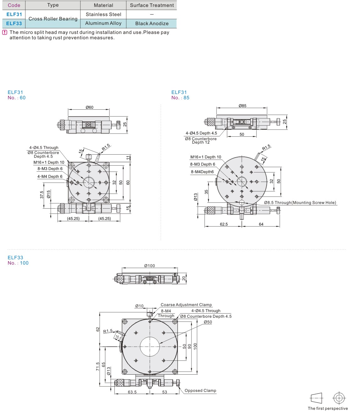
Manual Rotation Stage - Precision Cross Roller Bearing Type

Type: Rotary Manual Positioning Stage

Guide rail type: Crossed roller bearing type / Shaft with copper sleeve type

Transmission: Direction rotation

Feed method: Micrometer feed type

Material: Stainless steel / Aluminum alloy

Surface Treatment: None / Black Anodized