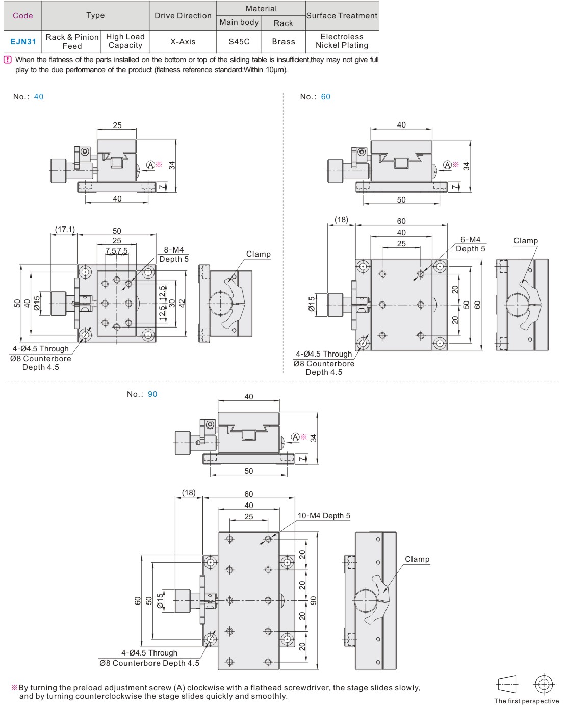
Swallowtail-Groove Manual Positioning Stage Precision Type Rack And Pinion Drive Type X-Axis Heavy Load Resistant Type

Type: Manual positioning stage

Guide rail type: Dovetail groove type

Transmission: Direction X axis

Feeding method: Heavy-duty rack and pinion drive

Material: S45C

Surface treatment: Electroless nickel plating

Thickness: Standard

If the parts installed on the bottom or top of the slide table are not flat enough, the product may not be able to perform as it should. (Reference standard for flatness: within 10um).