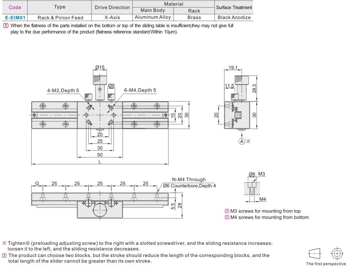
Manual Positioning Stage - Economical Dovetail Type / Long Stroke Rack And Pinion Drive Type / X Axis Stage Width 30

Type: Manual positioning stage

Guide rail type: Dovetail groove type

Transmission: Direction X axis

Feeding method: Long stroke rack and pinion driven type

Material: Aluminum alloy

Surface treatment: Black anodized

Width: 30